4 tonna vinda
Vöruyfirlit

Vökvavinda er vindubúnaður sem notar vökvakerfi til að veita afl. Það samanstendur venjulega af vökvamótor, vökvadælu, vökva loki og vindu líkama. Vökvavindar eru venjulega notaðar við aðstæður sem krefjast mikils afl, hátt tog og stöðugrar vinnu, eins og skip, sjávarútveg, námur, byggingarsvæði o.s.frv.
Vinnureglan um vökvavinduna er að nota háþrýstiolíuna sem myndast af vökvakerfinu til að knýja vökvamótorinn og keyra þannig vindubolinn í vinnu. Vegna þess að vökvakerfið hefur mikið afl og togafköst, getur vökvavindan lokið nokkrum þungum verkum sem hefðbundnar vindur ráða ekki við.
Winch Display




Vara einkenni
1. Sterkur kraftur: Vökvakerfið veitir mikla afköst, sem getur mætt vinnuþörf mikils afls og mikils togs.
2. Stöðug aðgerð: Þar sem vökvakerfið hefur einkenni stöðugrar olíuframboðs getur vökvavindan unnið stöðugt í langan tíma án þess að ofhitna.
3. Sveigjanleg stjórn: Með því að stjórna vökvaventilnum til að stilla vinnuþrýsting og flæði vökvakerfisins er hægt að ná nákvæmri stjórn á vindunni.
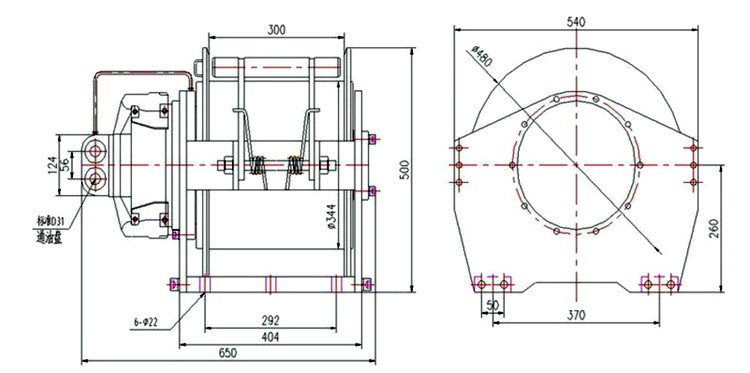
Vinda færibreyta

|
Úttakstog (hámark)
|
2266N.M
|
|
Lækkunarhlutfall
|
5 i
|
|
Vír reipi vinda fjölda laga
|
4
|
|
Vír reipi forskrift
|
φ11
|
|
Framleiðslubylting (einkunn)
|
66Nnóm(r/mín)
|
|
Bremsaopnunarþrýstingur
|
0.8 -1.5Mpa
|
|
Gerð drifmótor
|
BM5 röð/valfrjálst
|
|
Smurolíulýsing
|
1,5 L feiti
|
|
Lyftingarþyngd
|
1 T
|
|
Hífingarhraði
|
30-40m/mín
|
Vinda Verkefni


Fyrirtækjaupplýsingar



maq per Qat: 4 tonna vinda, Kína 4 tonna vinda framleiðendur, birgjar, verksmiðja
chopmeH
5 tonna vindaÞér gæti einnig líkað
Hringdu í okkur













