Iðnaðar vökvavinda
Vöruyfirlit

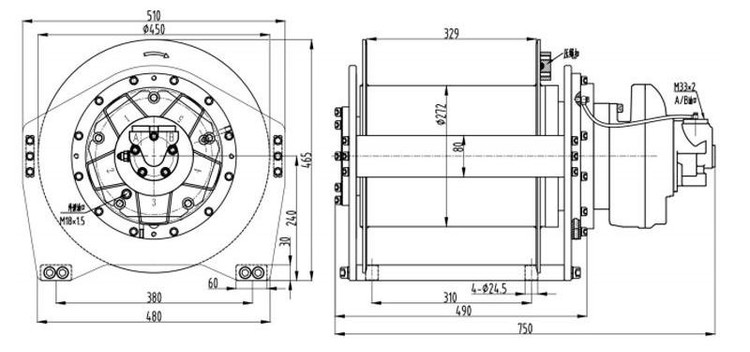
Vökvavinda í iðnaði er tæki sem notað er til að lyfta og draga þunga hluti. Það notar háþrýstingsolíuna sem myndast af vökvakerfinu til að knýja vökvamótor og knýja tromluna á vindunni til að lyfta eða draga þunga hluti. Vökvakerfið stjórnar flæði og þrýstingi olíu með því að stjórna lokum til að ná nákvæmri stjórn á hraða og krafti vindunnar. Í samanburði við hefðbundnar vélrænar vindur hafa vökvavindar kosti þess að vera hröð viðbrögð, mikil burðargeta og sveigjanleg notkun.
Vara nákvæm



Eiginleikar

1. Snúningshraðinn hefur mikinn hraða, mikla samþættingu, einfalda uppbyggingu og mikla burðargetu.
2. Snúningshraði er einsleitur og vinnur í samræmi við vélar til að bæta skilvirkni.
3. Þykkt stál, greinilega merkt alls staðar á skífunni, auðvelt í notkun.
Tæknileg færibreyta

|
Úttakstog (hámark)
|
2266N.M
|
|
Lækkunarhlutfall
|
5 i
|
|
Vír reipi vinda fjölda laga
|
4
|
|
Vír reipi forskrift
|
φ11
|
|
Framleiðslubylting (einkunn)
|
66Nnóm(r/mín)
|
|
Bremsaopnunarþrýstingur
|
0.8 -1.5Mpa
|
|
Gerð drifmótor
|
BM5 röð/valfrjálst
|
|
Smurolíulýsing
|
1,5 L feiti
|
|
Lyftingarþyngd
|
1 T
|
|
Hífingarhraði
|
30-40m/mín
|
Vöruverkefni


Fyrirtækjaupplýsingar



maq per Qat: iðnaðar vökva winch, Kína iðnaðar vökva winch framleiðendur, birgjar, verksmiðju
chopmeH
LyftivindaÞér gæti einnig líkað
Hringdu í okkur












